EA63
-
亮点
-
参数
-
图纸
-
控制箱/示教器/示教软件
-
相关资源
-
相关产品
产品参数
-
技术参数
-
关节参数
-
物理参数
-
配件型号
-
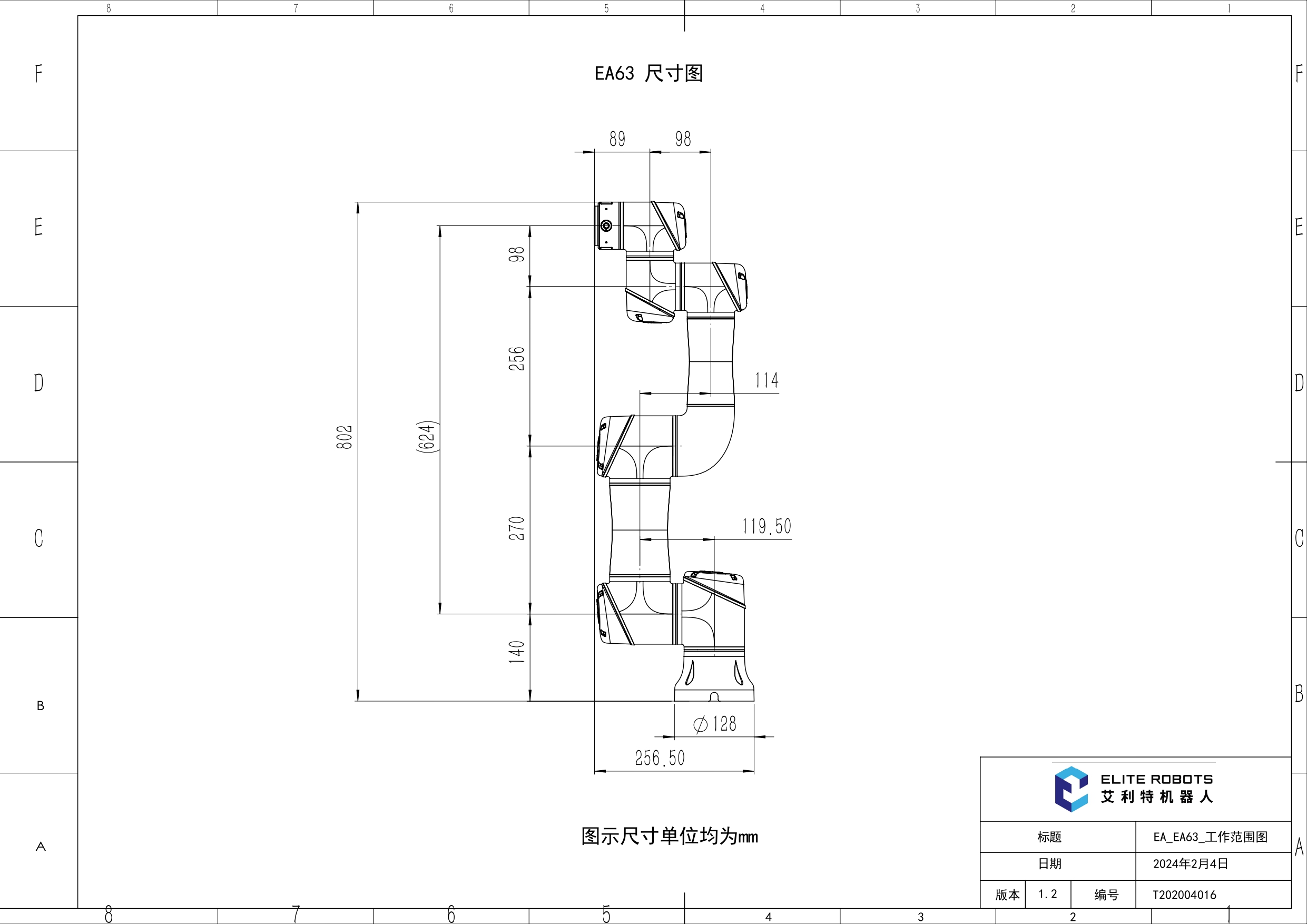
名称 参数 自由度 6 负载 3kg 工作半径 624mm 重复定位精度 ±0.03mm 典型功耗 185W 安装方式 任意角度 工具I/O 2xDI 2xDO 1xAI 1xAO 工具I/O供电 24V/2A 工具通信 RS485
-
关节运动范围 关节最大速度 基座 ±360° 190°/s 肩部 ±360° 190°/s 肘部 ±360° 190°/s 手腕1 ±360° 260°/s 手腕2 ±360° 260°/s 手腕3 ±360° 260°/s 最大工具速度 2.0m/s 2.0m/s
-
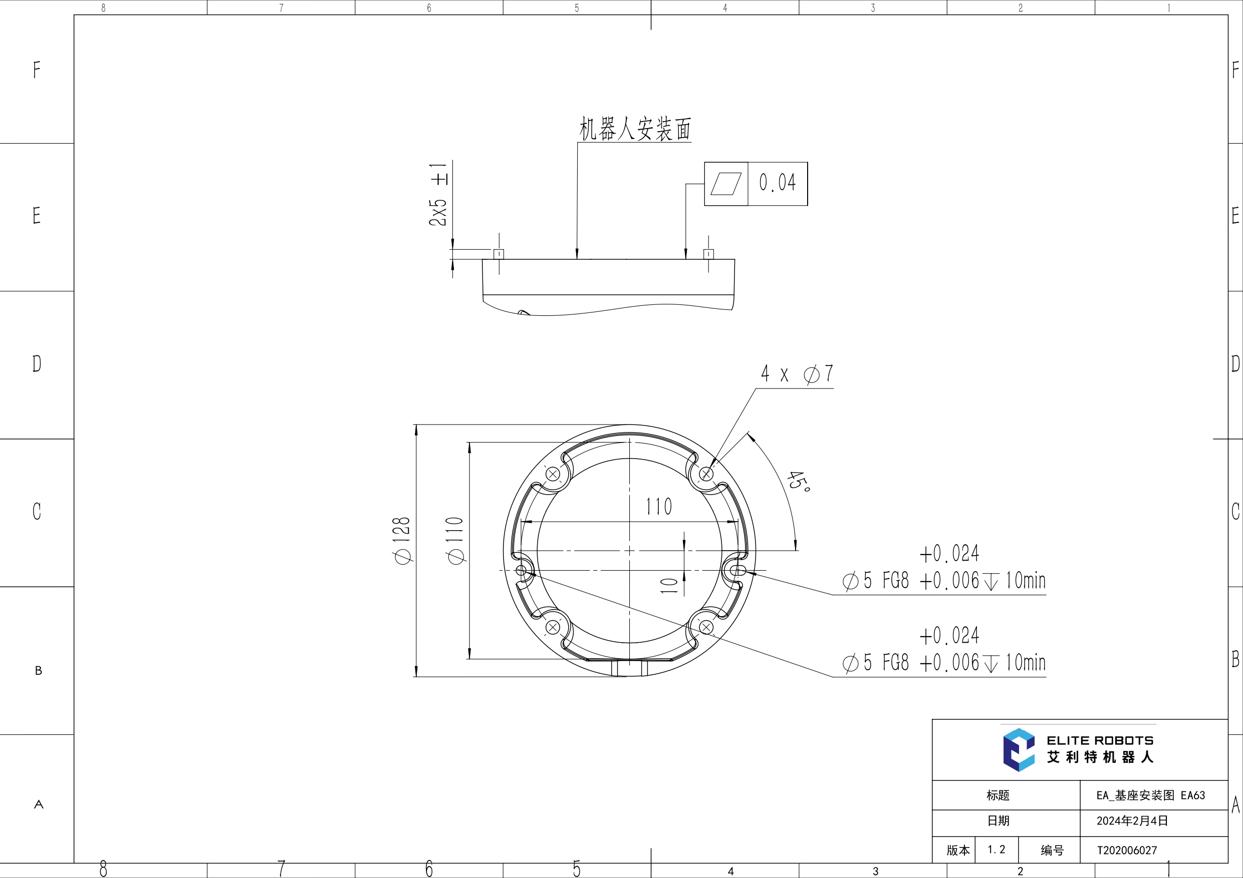
名称 参数 自重 13kg 底座直径 Φ128mm IP防护等级 IP54 工作环境温度 -10℃ ~ 50℃ 工作环境湿度 90%相对湿度(非冷凝) 材料 铝合金、钢、塑料、橡胶 标准线缆长度 5.5m
-
名称 参数 控制箱 ERB3E300 MINI控制箱(选配) ERB1E2K0ME-48 示教器(选配) ERP300 示教软件 基于浏览器的图形化示教软件E-Wireless,可适用于手机、平板、电脑
