csh-码垛机器人.png csh-码垛机器人.png

milan.米兰中国CS530H地平线协作机器人

超大负载,超长臂展,高精高速,结构紧凑

CS530H
  • 亮点
  • 参数
  • 图纸
  • 控制箱/示教器/示教软件
  • 相关资源
  • 相关产品

CS530H

  • b3icon1-594.svg
    1522mm

    工作半径

  • b3icon2-752.svg
    30kg

    负载

  • b3icon3.svg
    ±0.05mm

    重复定位精度

  • b3icon4.svg
    58Kg

    自重

产品参数

  • 技术参数
  • 关节参数
  • 物理参数
  • 配件型号
    • 名称参数
      自由度5
      负载30kg
      工作半径1522mm
      重复定位精度±0.05mm
      典型功耗600W
      安装方式正装、倒装
      工具I/O4xDO/4xDI (可配置)、1xAI 、1xAO
      工具I/O供电12 V/24 V,3 A (三针模式), 2 A (双针模式), 1 A (单针模式)
      工具通信RS485

    • 关节运动范围关节最大速度
      基座±360°125°/s
      肩部±360°125°/s
      肘部±360°150°/s
      腕部1--
      腕部2-210°/s
      腕部3±360°210°/s
      工具最大速度4.0m/s4.0m/s
    • 名称参数
      自重58kg
      底座直径Φ240mm
      IP防护等级IP68
      工作环境温度-10°C~50 ℃
      工作环境湿度90%相对湿度(非冷凝)
      材料铝合金、钢、塑料、橡胶
      标准线缆长度5.5m
    • 名称参数
      控制箱ERB2C2K0 / ERB2C2K0N / ERB1C4K0MNE
      示教器ERP400
      全能示教器(选配)ERP400S
CS530H-3.png

产品图纸

  • 外形尺寸图
  • 工作范围图
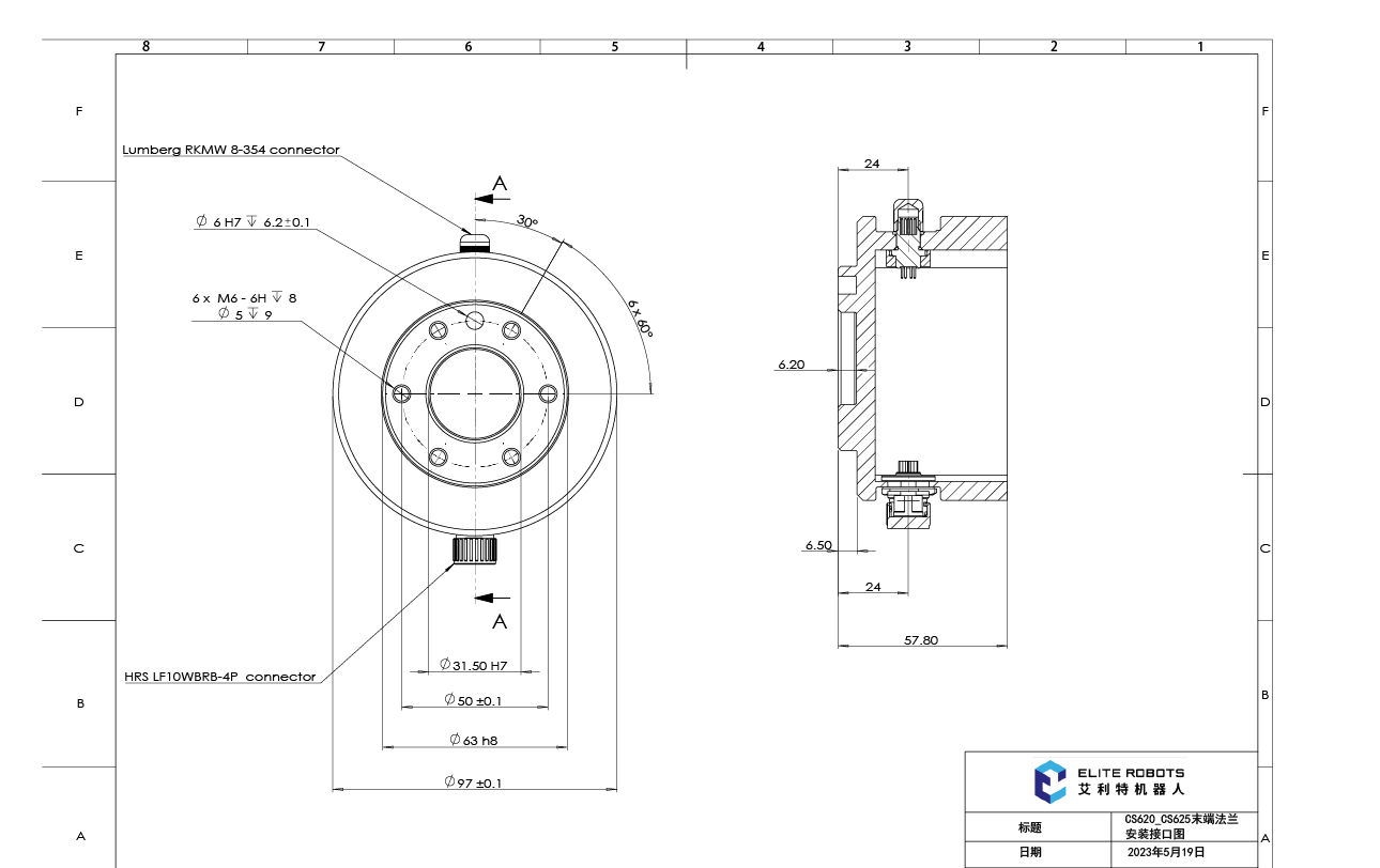
  • 末端法兰图
  • 控制箱

    ERB2E2K0-220/110 / ERB2E2K0-48/24 (标配)
    ERB1E2K0E-48 (选配)

    b1_img15.png
  • 示教器/示教软件

    示教器/示教软件

    b1_img16.png
download-669.svg comicon14.svg

电话咨询

download-397.svg comicon15.svg

免费试用

Vector.svg Frame.svg

微信小程序

img1.jpg

微信小程序

准备好突破增长瓶颈,开启智能制造了吗?
了解我们的机器人如何帮助您的业务增长
欢迎下载milan.米兰中国机器人资料

我已阅读并同意milan.米兰中国《隐私政策》《法律声明》

我已知晓并同意milan.米兰中国通过电子邮件发送相关资料

提交